
Jag insåg idag att tredje säsongen med Eje Christenssons unikt komplicerade Amazon närmar sig. Redan vid köpet 2009 påpekade Bea, hon som dyrkar Amazon mest i vår familj, förardörrens trasiga elhiss.
Det är en utanpåliggande historia från 1980-talets Biltema, och denna dosa var bland det sista Eje pillade på i meningen att laga. Eje, ingenjören som köpte Amazonen nästan ny i början av 1970-talet och sedan utvecklade den efter eget huvud och i takt med bilutvecklingen under de följande fyra decennierna.
Bea och jag kom själva på att den uteblivna elhissfunktionen troligen härrör från kärvande gejdrar där sidorutan löper inne i dörren. Nu är locket till dosan borta men felet är fortfarande inte lagat och Bea och jag tittar menande på varandra.
Eje hade säkert fixat det tänker vi. Smort lite, kanske rent av monterat in en modernare konstruktion eller mixtrat med någon egen lösning på problemet. Två år efter övertagandet av denna överkomplicerade vardagsbil är vi tvärsäkra på det.
Klassikerläsaren Robert Jonsson som har verkstad i Duved håller säkert med. Robert mejlade nyligen till redaktionen och berättade om en kort korrenspondens han haft med Eje 1996. Båda hade Amazon och Robert var sugen på att få veta hur Eje lyckats montera servostyrning.
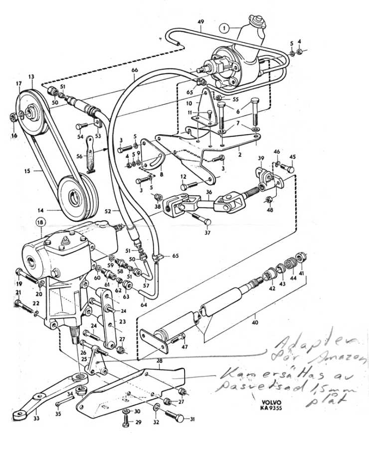
Som alltid hade Eje dokumenterat ingreppet och sände några papper med bilder och beskrivande text till Robert. Där beskrevs hur original kylfläkt ersatts med en elektrisk dito för att ge plats för servopumpens drivning. Själva pumpen monterades med hemtillverkade fästen i framkant av motorn och tandade drivhjul för kuggrem användes.
Där originalsnäckan suttit förstärktes plåten med ett hemtillverkat fäste eftersom Eje inte sett att det låg ett fabrikstillverkat i kartongen. En länk från VW modifierades att foga samman rattstången med den nya styrsnäckan. Bromsservots burk måste samtidigt vinklas upp och flyttas fram en aning för att skapa utrymme.
Sedan var det dags för det som Eje gillade mest, avancerat bilelektriskt knåp. En släpring tillverkades av något som låg och skräpade i garaget och monterades sedan i rattstångens nedre ände isolerad från densamma och där anslöts sladden från signalknappen.
På innerskärmen sattes en kolhållare från en gammal borrmaskin till att nudda vid släpringen och en annan sladd drogs till de dubbla signalhornen.
Summan av kardemumman blev en vag förbättring av den åldriga Amazonens egenskaper vid fickparkering och fortsatt stor förmåga att tuta slarviga medtrafikanter av vägen.
Eje hade som vanligt blandat vanligt bondförnuft med avancerad ingenjörskonst och inte så litet av elektriskt hokus pokus. Sett i ett större sammanhang är installationen inte så märkvärdig.
Mellan tummen och pekfingret bidrar den endast till någon enda procent av bilens alla modifieringar. Någon mer läsare som fått brev från Eje? Sådant kan få en avgörande roll för Bea och mig för att hålla Amazonen rullande.

Amazonen med extra allt går in på tredje säsongen i Stefans och Beas delade ägo.

Med endast ett finger på ratten fickparkerar Bea busenkelt. Servo!

Eje lämnade inget åt slumpen. Så här ser en servoinstallation ut.
Ägare: Stefan Wulff, skribent
Ursprungsplan: Bara att backa ur garaget.
Ny plan: Ta reda på varför det hänger en bogserlina där fram.
Oplanerat: Att vi ställde in bilen i garaget för vintern, men inte kommer ihåg att den bogserades dit. För många fordon?